HOME
CONTACT
CLASSES
PAMELA PLATT
RICHARD PLATT
SOUTHEAST HS
MANATEE ACT
SBMC
ABOUT
INSTRUCTOR
CLASSES
GOALS
OUTCOMES
ENGINEERING
DEFINED
PRODUCT DEV
PROBLEM SOLV
MECHANICAL
ARCHITECTURAL
AEC
ELECTRICAL
CHEMICAL
SOFTWARE ENG
REFERENCE
DESIGN
DEFINED
ELEMENTS DES
DES PROCESS
GRAPHIC DESIGN
DESKTOP PUB
DRAFTING
INDUSTRIAL DES
WEB DEV
MANUFACTURING
MFG PROD MGR
CNC OPERATOR
MATERIAL ENG
MAINT OPS
TECHNOLOGY
ITEM 1
ITEM 2
ITEM 3
ITEM 4
COMPETITION
BOYS & GIRLS CLUB
TSA
F1 IN SCHOOLS
BRIGHTHOUSE
OTHERS
IN ACTION
VIDEOS
PHOTOS
PORTFOLIOS
GALLERY 2014
GALLERY 2015
PORTFOLIO 2015
F1 2013
F1 2014
TUTORIALS
YouTube
MANUAL DRAFT
NAME PLATE
CO2 Dragster
WEB SITE
NAPKIN BOX
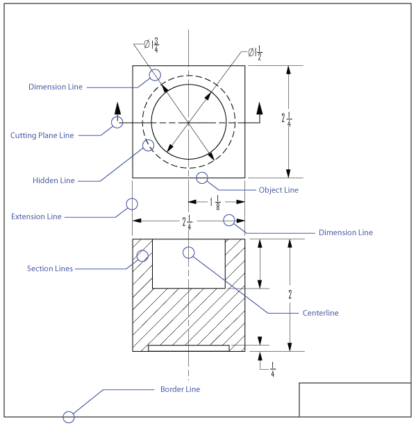
2D Drafting - "Lineology" Drawing
These are the typical line definitions of a drafted drawing.